為了進一步減小腫瘤放射治療中靶區運動造成的誤差,設計了一套自適應靶區補償運動的系統和方案,并完成了系統設計和模擬試驗。通過控制系統采集患者靶區標記點當前時間的運動位置,與參考點的位置進行比較以控制治療床向當前時間運動方向相反的方向移動。治療床的三維運動由控制系統控制三個獨立的步進電機實現,控制電機的運動就能實現對治療床的控制。通過模擬實驗表明,本系統能減小放射治療過程中由于呼吸等運動造成的靶區運動的誤差。本系統具有實時性好、運動精度高的特點,具有較高的臨床應用價值。
引用本文: 陳仁金, 吳敬波, 孫小楊, 楊波, 龐皓文. 自適應放射治療靶區運動補償系統的設計. 生物醫學工程學雜志, 2017, 34(2): 297-302. doi: 10.7507/1001-5515.201603038 復制
引言
傳統的放射治療床是將腫瘤患者病灶靶區的照射中心和直線加速器的等中心通過擺位重合,實施治療。如果患者靶區位于肺等運動器官,那么其呼吸運動會導致靶區偏離照射中心,從而影響放射治療的精確性。為降低呼吸運動等導致的位置誤差,傳統的方法是增大靶區勾畫體積或采用呼吸調控技術。增大靶區勾畫體積會導致腫瘤靶區周圍的正常組織受照射劑量增大,從而引發正常組織并發癥[1]。呼吸調控技術主要分為主動式呼吸調控[2](active breath control,ABC)和即時位置管理呼吸同步追蹤調控系統(real-time position management respiratory gating system,RPM)。ABC 的原理是將呼吸動作與放射治療進行同步,需要患者事先進行多次呼吸訓練,通過口含傳感器,將呼吸頻率轉換為數字信號。由于 ABC 只在某一段呼吸相位或幅度上進行治療,導致治療時間延長 2~4 倍。RPM 是利用電荷耦合元件(charge-coupled device,CCD)攝像機采集到的呼吸信號來跟蹤掃描腫瘤位置變化,并通過計算機處理后控制加速器照射束的位置,從而使放射靶區跟蹤腫瘤移動的方向[3]。然而,人體器官和腫瘤隨呼吸運動是呈三維改變的,而加速器產生的放射靶區是二維改變的,因此采用 RPM 跟蹤腫瘤位置的精度和速度不能完全自適應腫瘤位置改變,仍然會造成正常組織的損傷。本文擬采用靶區運動補償技術,其最大的特點在于對放射治療靶區的三維運動進行實時逆向補償,使系統能夠在患者呼吸時獲取靶區標記點相對參考點在XYZ 三個方向運動的位置變化量。患者在進行放射治療時,通過控制治療床向當前時間靶區三維運動方向實施逆向補償運動相等距離,從而實現治療靶區的照射中心始終與直線加速器的等中心重合,以期達到給予腫瘤最大照射劑量、同時最大程度保護正常組織的目的。本文主要對治療床的結構和控制系統進行詳細介紹。
1 治療床結構設計
治療床主要包括第一安裝板、X 軸導軌、床板、X 軸動力裝置、Y 軸動力裝置、第二安裝板、Z 軸動力裝置、底座和剪式升降架。底座和第一安裝板之間安裝有控制床板上下運動的升降機構,升降機構下端固定安裝在底座上,上端固定安裝在剪式升降架和Z 軸動力裝置上。Z 軸動力裝置為一個步進電機,步進電機的底部固定安裝在底座上,推桿固定安裝在剪式升降架的橫梁上。剪式升降架包括四根支撐架,兩根支撐架作為一組,其中部通過銷軸活動地安裝在一起,兩組支撐架通過連接軸安裝在一起形成剪式支架。在連接軸的兩端安裝有連接軸承,剪式支架一側的上端固定安裝在第一安裝板下表面上設置的兩個支撐板上,同一側的下端固定安裝在底座上的兩個支撐板上。剪式支架另一側的上端通過連接軸承與第一安裝板下表面上安裝的兩個滾動導軌配合,同一側的下端通過連接軸承與安裝在底座上的滾動軌道進行配合。這樣,Z 軸動力裝置輸出的力矩就能通過剪式支架控制治療床的升降。X 軸動力裝置和Y 軸動力裝置均選用步進電機,電機輸出軸通過聯軸器與安裝在軸承上的絲桿連接。X 軸動力裝置的電機和軸承固定安裝在第一安裝板上,絲桿上的傳動螺母固定在第二安裝板上。Y 軸動力裝置的電機和軸承固定安裝在第二安裝板上,Y 絲桿上的傳動螺母固定在床板上。結構示意圖如圖 1 所示。

進行放射治療時,運動方向采集裝置采集靶區標識位當前時間的運動方向。控制系統便根據運動采集裝置采集的運動信號讀取系統存儲的最大位置運動信息。若當前時間的運動方向是沿Y 軸的,就讀取相對Y 軸的最大位置變化信息;若當前時間的運動方向是沿X 軸的,就讀取相對X 軸的最大位置變化信息。控制系統將讀取的相應的最大位置變化信息轉換為電機控制信號,分別控制Y 軸動力裝置、X 軸動力裝置或Z 軸動力裝置做逆向補償運動(即床板的運動方向和患者靶區標識位運動方向相反,從而使腫瘤患者的運動靶區和照射中心保持相對靜止)。控制系統通過網絡接口與計算機連接,技術人員能實時了解床板的位置情況。電機作為處理器的執行單元,受控于控制系統輸出的脈沖信號。
2 控制系統設計
根據治療床工作特性對控制系統的要求,控制系統必須具有以下特點和功能:為了滿足靶區運動控制實時性高、運算量大的要求,主控芯片應選取高速微控制單元(microcontroller unit,MCU),使執行速度更快;提供多通道輸入和輸出量接口,便于處理各路信號和系統擴展使用;為了提高系統穩定性,輸出端口應具備短路保護和開路診斷功能;為了實時監控治療床的運動狀態,控制系統應具備遠程通訊和調試程序;集成 CAN2.0B 總線接口,實現與直線加速器其他控制單元通訊功能;集成 RS232 通信接口,便于對 MCU 進行軟件升級。根據系統功能要求,選取 DSP2812 作為控制系統的主控芯片,控制系統原理框圖如圖 2 所示。

2.1 硬件設計
硬件設計采用模塊化設計方法,主要模塊有電源模塊電路、脈沖信號處理電路、模擬信號處理電路、開關信號處理電路、步進電機驅動電路、開關量輸出電路和通訊接口電路。下面對電源模塊和通訊模塊的設計做簡要介紹。
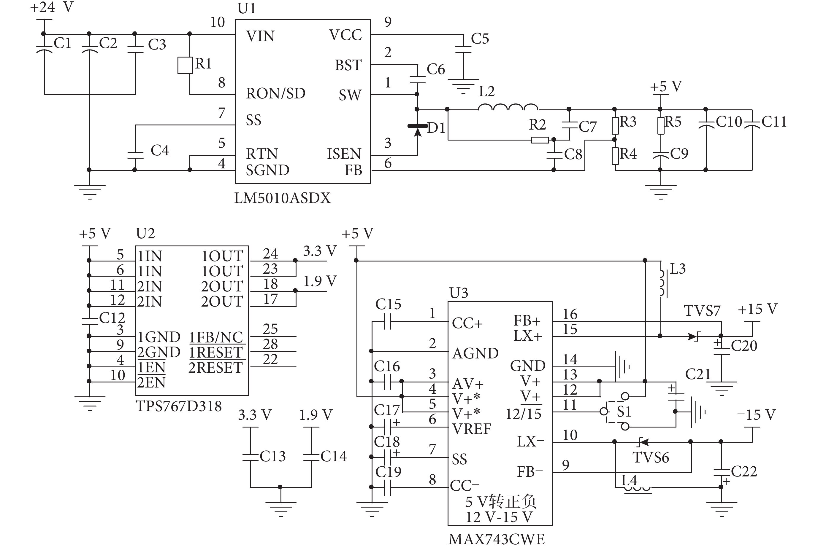
2.1.1 電源模塊設計 控制系統采用電源 24 V 直流供電,而 TMS320F2812 內核和 IO 口分別采用 1.8 V 和 3.3 V 供電,模擬量輸入通道的低通濾波器采用±15 V 供電。所以,在電源模塊設計時,采用三塊電源芯片:LM5010ASDX 將直流 24 V 轉換為 5 V,MAX743CWE 將 5 V 轉換為±15 V,TPS767D318 將 5 V 轉換為 3.3 V 和 1.8 V 為 CPU 供電。同時,5 V 電壓可作為其他芯片的供電電源。電源模塊原理圖如圖 3 所示。

2.1.2 通訊模塊設計
(1)串口模塊設計:串口通信模塊主要功能為控制參數的下載和更新以及與上位機進行通信。該模塊選擇 MAX3226EAAE 作為串口通訊電平轉換芯片,電路原理圖如圖 4 所示。

(2)CAN 總線模塊設計:加速器機房由于電離輻射造成的干擾較強,因此對通訊的可靠性要求較高。CAN 總線能可靠地工作在噪聲大、干擾強的場合。TMS320F28335 中的 CAN 模塊是一個與 CAN2.0B 完全兼容的 CAN 控制器。因此 CAN 總線電路的設計非常簡單,只需要設計物理接口和 CAN 控制器之間電平轉換即可。本次設計采用 TJA1050 作為 CAN 總線收發器,該芯片具有電磁輻射低、抗干擾能力強、速度響應快等特點,并具有自動保護功能,可支持 110 個 CAN 網絡節點[4]。原理圖如圖 5 所示。

其中,輸出端接的 C2 和 C3 匹配電容能提高電路的抗干擾能力,R3、R4、R35、R36 為匹配電阻,阻值為 120 Ω。
2.2 軟件設計
根據模塊化設計的思想,將控制系統軟件的功能劃分為不同的子模塊,根據系統要求調用不同模塊便能得到X、Y、Z 三個方向的運動,本次軟件設計通過比對的方法,用采集的位移信號和設定值比較,以得到三個電機補償運動的方向和位移。其軟件的主流程圖如圖 6 所示。

軟件系統還包括設置軟件陷阱、看門狗、多次采樣和程序運行狀態檢測等。只有軟件系統的抗干擾能力強,再配合硬件抗干擾設計,才能達到最大限度降低外界干擾對控制系統的影響以及保證系統正常工作的目的。
3 實驗結果與分析
根據 Erridge 等[5] 對非小細胞肺癌患者肺部腫瘤運動的研究, 腫瘤側向運動距離X 為(7.3±2.7)mm, 頭腳方向Y 為(12.5±7.3)mm, 前后方向Z 為(9.4±5.2)mm。本文對設計的自適應靶區運動補償系統進行模擬仿真。選取一個充氣氣囊作為模擬實驗對象,將氣囊固定在治療床上,并在氣囊表面敷貼一標記點作為運動跟蹤的反光點。該標記點由鋁錫類合金薄膜制成,合金薄膜鑲貼在紙片上。反光點通過反射光源產生的可見光為相機拍攝標記點的運動創造條件[6]。同時,在治療床旁固定一位置不變的參考點,該參考點采用相同材料的合金薄膜,參考點的空間位置固定不變。在實驗過程中,通過有節奏地充氣和放氣模擬患者肺部的呼吸運動,同時對氣囊標記點進行連續快速拍照。照片通過相機接口傳入圖像處理單元,通過相應的圖像處理算法比較標記點和參考點的位置,就能計算出標記點的實時運動方向和位移。由標記點運動的方向和位移可以得到靶區三維運動的方向和位移,從而根據靶區的運動參數控制治療床電機做逆向補償運動。本文采集標記點運動的圖像使用可見光機器視覺技術,利用圖像處理單元對相機的數據進行采集,處理后把圖像像素數據傳到圖像處理單元的存儲器中。相機傳來的數據包括像素數據、圖像同步信號、相機控制命令、相機設置參數等。圖像處理單元對這些數據進行整理,提取出有用信號發送給控制系統,并發送相機控制命令,以達到數據和命令傳送的目的。圖像采集系統原理框圖如圖 7 所示。

其中,圖像處理單元采用現場可編程門陣列(Field-Programmable Gate Array,FPGA)作為硬件平臺,以 Verilog HDL 語言為軟件設計工具,系統內嵌 NIOS 軟核,從而實現對相機的配置、控制以及數據接收,同時通過高清晰度多媒體接口(High Definition Multimedia Interface,HDMI)送到監視器顯示實時照片。
在實驗過程中,每次充氣和放氣過程中使標記點的運動滿足X 方向位移為(7.3±2.7)mm,Y 方向位移為(12.5±7.3)mm,Z 方向位移為(9.4±5.2)mm。選取 20 次滿足實驗要求的結果進行分析,其結果如圖 8所示。

圖 8 中,自由運動的位移代表氣囊標記點在治療床未做補償運動時的位移,逆向差補后的位移代表氣囊標記點在治療床做補償運動后的運動位移。通過對比分析發現:治療床運動精度達到預期,實時性較好,標記點的運動誤差X 方向減小(3±2)mm,Y 方向減小(3±2)mm,Z 方向減小(2±2)mm。
4 結論
自適應放射治療靶區運動系統的開發和研制,對提高放射治療過程中運動靶區的劑量以及降低正常組織的劑量有很大作用,因而能在現有放射治療技術下進一步提高腫瘤的控制率,降低放療產生的毒副反應。系統對靶區運動控制的實時性要求較高,因此對運動信號的采集和處理速度以及電機的運動精度要求較高。同時,如果治療床的運動與直線加速器多葉準直器運動能夠協同控制,將使放射治療的精確性得到更大提高。本文設計的放射治療靶區運動自適應系統預留了較多的接口,便于系統的擴展和升級。
引言
傳統的放射治療床是將腫瘤患者病灶靶區的照射中心和直線加速器的等中心通過擺位重合,實施治療。如果患者靶區位于肺等運動器官,那么其呼吸運動會導致靶區偏離照射中心,從而影響放射治療的精確性。為降低呼吸運動等導致的位置誤差,傳統的方法是增大靶區勾畫體積或采用呼吸調控技術。增大靶區勾畫體積會導致腫瘤靶區周圍的正常組織受照射劑量增大,從而引發正常組織并發癥[1]。呼吸調控技術主要分為主動式呼吸調控[2](active breath control,ABC)和即時位置管理呼吸同步追蹤調控系統(real-time position management respiratory gating system,RPM)。ABC 的原理是將呼吸動作與放射治療進行同步,需要患者事先進行多次呼吸訓練,通過口含傳感器,將呼吸頻率轉換為數字信號。由于 ABC 只在某一段呼吸相位或幅度上進行治療,導致治療時間延長 2~4 倍。RPM 是利用電荷耦合元件(charge-coupled device,CCD)攝像機采集到的呼吸信號來跟蹤掃描腫瘤位置變化,并通過計算機處理后控制加速器照射束的位置,從而使放射靶區跟蹤腫瘤移動的方向[3]。然而,人體器官和腫瘤隨呼吸運動是呈三維改變的,而加速器產生的放射靶區是二維改變的,因此采用 RPM 跟蹤腫瘤位置的精度和速度不能完全自適應腫瘤位置改變,仍然會造成正常組織的損傷。本文擬采用靶區運動補償技術,其最大的特點在于對放射治療靶區的三維運動進行實時逆向補償,使系統能夠在患者呼吸時獲取靶區標記點相對參考點在XYZ 三個方向運動的位置變化量。患者在進行放射治療時,通過控制治療床向當前時間靶區三維運動方向實施逆向補償運動相等距離,從而實現治療靶區的照射中心始終與直線加速器的等中心重合,以期達到給予腫瘤最大照射劑量、同時最大程度保護正常組織的目的。本文主要對治療床的結構和控制系統進行詳細介紹。
1 治療床結構設計
治療床主要包括第一安裝板、X 軸導軌、床板、X 軸動力裝置、Y 軸動力裝置、第二安裝板、Z 軸動力裝置、底座和剪式升降架。底座和第一安裝板之間安裝有控制床板上下運動的升降機構,升降機構下端固定安裝在底座上,上端固定安裝在剪式升降架和Z 軸動力裝置上。Z 軸動力裝置為一個步進電機,步進電機的底部固定安裝在底座上,推桿固定安裝在剪式升降架的橫梁上。剪式升降架包括四根支撐架,兩根支撐架作為一組,其中部通過銷軸活動地安裝在一起,兩組支撐架通過連接軸安裝在一起形成剪式支架。在連接軸的兩端安裝有連接軸承,剪式支架一側的上端固定安裝在第一安裝板下表面上設置的兩個支撐板上,同一側的下端固定安裝在底座上的兩個支撐板上。剪式支架另一側的上端通過連接軸承與第一安裝板下表面上安裝的兩個滾動導軌配合,同一側的下端通過連接軸承與安裝在底座上的滾動軌道進行配合。這樣,Z 軸動力裝置輸出的力矩就能通過剪式支架控制治療床的升降。X 軸動力裝置和Y 軸動力裝置均選用步進電機,電機輸出軸通過聯軸器與安裝在軸承上的絲桿連接。X 軸動力裝置的電機和軸承固定安裝在第一安裝板上,絲桿上的傳動螺母固定在第二安裝板上。Y 軸動力裝置的電機和軸承固定安裝在第二安裝板上,Y 絲桿上的傳動螺母固定在床板上。結構示意圖如圖 1 所示。

進行放射治療時,運動方向采集裝置采集靶區標識位當前時間的運動方向。控制系統便根據運動采集裝置采集的運動信號讀取系統存儲的最大位置運動信息。若當前時間的運動方向是沿Y 軸的,就讀取相對Y 軸的最大位置變化信息;若當前時間的運動方向是沿X 軸的,就讀取相對X 軸的最大位置變化信息。控制系統將讀取的相應的最大位置變化信息轉換為電機控制信號,分別控制Y 軸動力裝置、X 軸動力裝置或Z 軸動力裝置做逆向補償運動(即床板的運動方向和患者靶區標識位運動方向相反,從而使腫瘤患者的運動靶區和照射中心保持相對靜止)。控制系統通過網絡接口與計算機連接,技術人員能實時了解床板的位置情況。電機作為處理器的執行單元,受控于控制系統輸出的脈沖信號。
2 控制系統設計
根據治療床工作特性對控制系統的要求,控制系統必須具有以下特點和功能:為了滿足靶區運動控制實時性高、運算量大的要求,主控芯片應選取高速微控制單元(microcontroller unit,MCU),使執行速度更快;提供多通道輸入和輸出量接口,便于處理各路信號和系統擴展使用;為了提高系統穩定性,輸出端口應具備短路保護和開路診斷功能;為了實時監控治療床的運動狀態,控制系統應具備遠程通訊和調試程序;集成 CAN2.0B 總線接口,實現與直線加速器其他控制單元通訊功能;集成 RS232 通信接口,便于對 MCU 進行軟件升級。根據系統功能要求,選取 DSP2812 作為控制系統的主控芯片,控制系統原理框圖如圖 2 所示。

2.1 硬件設計
硬件設計采用模塊化設計方法,主要模塊有電源模塊電路、脈沖信號處理電路、模擬信號處理電路、開關信號處理電路、步進電機驅動電路、開關量輸出電路和通訊接口電路。下面對電源模塊和通訊模塊的設計做簡要介紹。
2.1.1 電源模塊設計 控制系統采用電源 24 V 直流供電,而 TMS320F2812 內核和 IO 口分別采用 1.8 V 和 3.3 V 供電,模擬量輸入通道的低通濾波器采用±15 V 供電。所以,在電源模塊設計時,采用三塊電源芯片:LM5010ASDX 將直流 24 V 轉換為 5 V,MAX743CWE 將 5 V 轉換為±15 V,TPS767D318 將 5 V 轉換為 3.3 V 和 1.8 V 為 CPU 供電。同時,5 V 電壓可作為其他芯片的供電電源。電源模塊原理圖如圖 3 所示。

2.1.2 通訊模塊設計
(1)串口模塊設計:串口通信模塊主要功能為控制參數的下載和更新以及與上位機進行通信。該模塊選擇 MAX3226EAAE 作為串口通訊電平轉換芯片,電路原理圖如圖 4 所示。

(2)CAN 總線模塊設計:加速器機房由于電離輻射造成的干擾較強,因此對通訊的可靠性要求較高。CAN 總線能可靠地工作在噪聲大、干擾強的場合。TMS320F28335 中的 CAN 模塊是一個與 CAN2.0B 完全兼容的 CAN 控制器。因此 CAN 總線電路的設計非常簡單,只需要設計物理接口和 CAN 控制器之間電平轉換即可。本次設計采用 TJA1050 作為 CAN 總線收發器,該芯片具有電磁輻射低、抗干擾能力強、速度響應快等特點,并具有自動保護功能,可支持 110 個 CAN 網絡節點[4]。原理圖如圖 5 所示。

其中,輸出端接的 C2 和 C3 匹配電容能提高電路的抗干擾能力,R3、R4、R35、R36 為匹配電阻,阻值為 120 Ω。
2.2 軟件設計
根據模塊化設計的思想,將控制系統軟件的功能劃分為不同的子模塊,根據系統要求調用不同模塊便能得到X、Y、Z 三個方向的運動,本次軟件設計通過比對的方法,用采集的位移信號和設定值比較,以得到三個電機補償運動的方向和位移。其軟件的主流程圖如圖 6 所示。

軟件系統還包括設置軟件陷阱、看門狗、多次采樣和程序運行狀態檢測等。只有軟件系統的抗干擾能力強,再配合硬件抗干擾設計,才能達到最大限度降低外界干擾對控制系統的影響以及保證系統正常工作的目的。
3 實驗結果與分析
根據 Erridge 等[5] 對非小細胞肺癌患者肺部腫瘤運動的研究, 腫瘤側向運動距離X 為(7.3±2.7)mm, 頭腳方向Y 為(12.5±7.3)mm, 前后方向Z 為(9.4±5.2)mm。本文對設計的自適應靶區運動補償系統進行模擬仿真。選取一個充氣氣囊作為模擬實驗對象,將氣囊固定在治療床上,并在氣囊表面敷貼一標記點作為運動跟蹤的反光點。該標記點由鋁錫類合金薄膜制成,合金薄膜鑲貼在紙片上。反光點通過反射光源產生的可見光為相機拍攝標記點的運動創造條件[6]。同時,在治療床旁固定一位置不變的參考點,該參考點采用相同材料的合金薄膜,參考點的空間位置固定不變。在實驗過程中,通過有節奏地充氣和放氣模擬患者肺部的呼吸運動,同時對氣囊標記點進行連續快速拍照。照片通過相機接口傳入圖像處理單元,通過相應的圖像處理算法比較標記點和參考點的位置,就能計算出標記點的實時運動方向和位移。由標記點運動的方向和位移可以得到靶區三維運動的方向和位移,從而根據靶區的運動參數控制治療床電機做逆向補償運動。本文采集標記點運動的圖像使用可見光機器視覺技術,利用圖像處理單元對相機的數據進行采集,處理后把圖像像素數據傳到圖像處理單元的存儲器中。相機傳來的數據包括像素數據、圖像同步信號、相機控制命令、相機設置參數等。圖像處理單元對這些數據進行整理,提取出有用信號發送給控制系統,并發送相機控制命令,以達到數據和命令傳送的目的。圖像采集系統原理框圖如圖 7 所示。

其中,圖像處理單元采用現場可編程門陣列(Field-Programmable Gate Array,FPGA)作為硬件平臺,以 Verilog HDL 語言為軟件設計工具,系統內嵌 NIOS 軟核,從而實現對相機的配置、控制以及數據接收,同時通過高清晰度多媒體接口(High Definition Multimedia Interface,HDMI)送到監視器顯示實時照片。
在實驗過程中,每次充氣和放氣過程中使標記點的運動滿足X 方向位移為(7.3±2.7)mm,Y 方向位移為(12.5±7.3)mm,Z 方向位移為(9.4±5.2)mm。選取 20 次滿足實驗要求的結果進行分析,其結果如圖 8所示。

圖 8 中,自由運動的位移代表氣囊標記點在治療床未做補償運動時的位移,逆向差補后的位移代表氣囊標記點在治療床做補償運動后的運動位移。通過對比分析發現:治療床運動精度達到預期,實時性較好,標記點的運動誤差X 方向減小(3±2)mm,Y 方向減小(3±2)mm,Z 方向減小(2±2)mm。
4 結論
自適應放射治療靶區運動系統的開發和研制,對提高放射治療過程中運動靶區的劑量以及降低正常組織的劑量有很大作用,因而能在現有放射治療技術下進一步提高腫瘤的控制率,降低放療產生的毒副反應。系統對靶區運動控制的實時性要求較高,因此對運動信號的采集和處理速度以及電機的運動精度要求較高。同時,如果治療床的運動與直線加速器多葉準直器運動能夠協同控制,將使放射治療的精確性得到更大提高。本文設計的放射治療靶區運動自適應系統預留了較多的接口,便于系統的擴展和升級。